华普微数字隔离器,如何守护变频冰箱的“安、稳”运作?
数字隔离器,高效的变频冰箱电气隔离方案
Details 白箭头 黑箭头
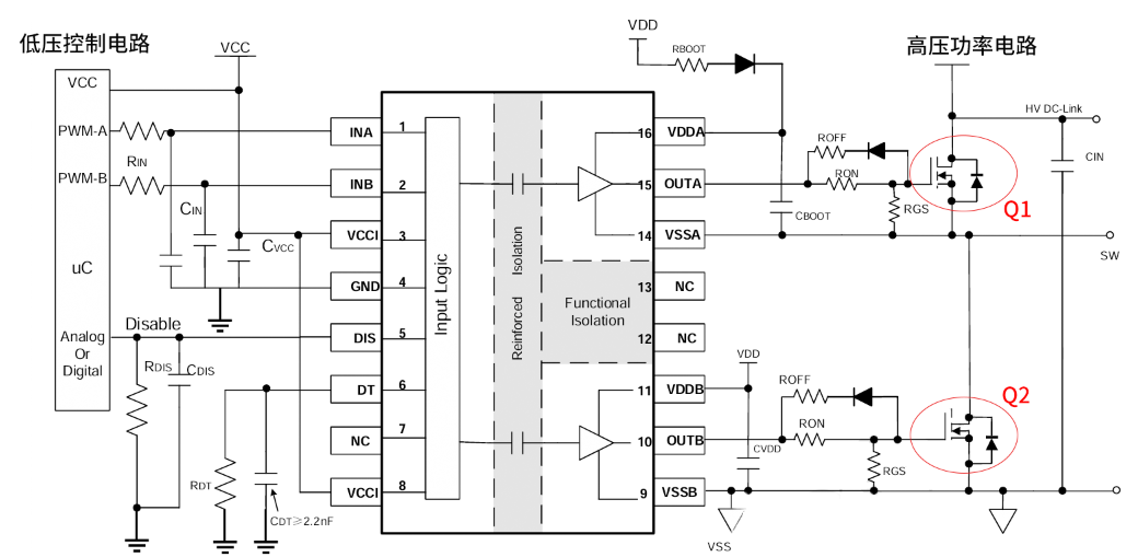
高压、高频功率转换系统中,为何要使用隔离式栅极驱动器?
隔离式栅极驱动器是指栅极驱动器与数字隔离器的一体化单芯解决方案,其主要负责隔绝高低压电路间的直接电气联系,同时充当逻辑侧MCU的功率放大器,以产生适当的大电流栅极驱动,让MOSFET、IGBT和SiC MOSFET等功率晶体管得以高速导通或关闭,进而降低系统功耗并增强其对噪声的抗干扰能力。
Details 白箭头 黑箭头
数字隔离器,新能源汽车PTC中的“电气安全卫士”
数字隔离器,新能源汽车PTC的安全之“芯”
Details 白箭头 黑箭头
立即联系智高物联专家团队,为您定制解决方案
联系我们
请提交需求,我们马上跟您取得联系:
  • 姓名*

  • 电话*

  • 邮箱*

  • 公司名称(选填)

类型*

请选择
  • 我是代理商
  • 我是客户

如果您有其他想了解的信息或者疑问,欢迎给我们留言(选填)

©CopyRight 2017-2023 深圳市智高物联科技有限公司 版权所有          粤ICP备2023113249号

扫一扫,关注我们